Project Overview
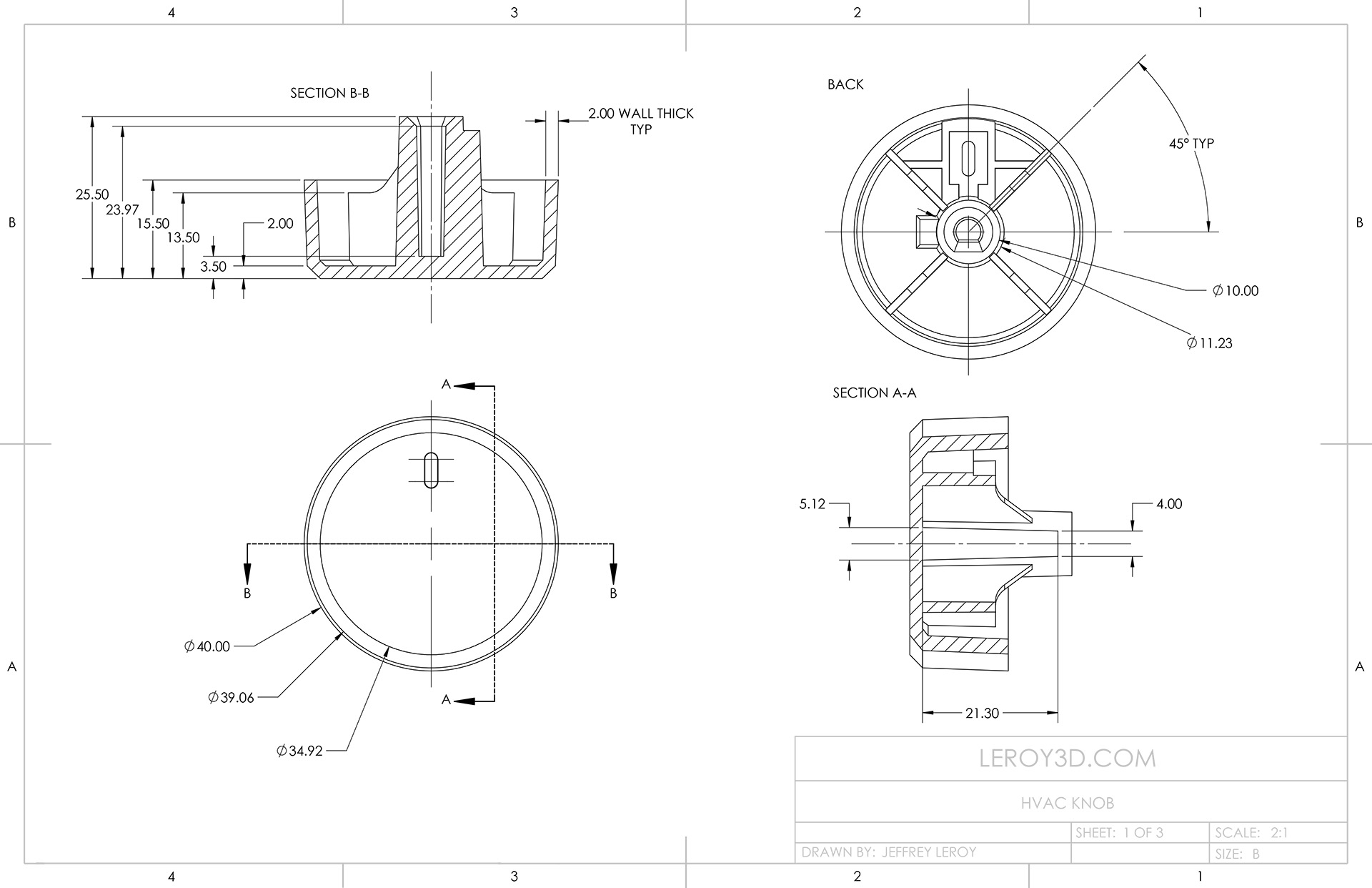
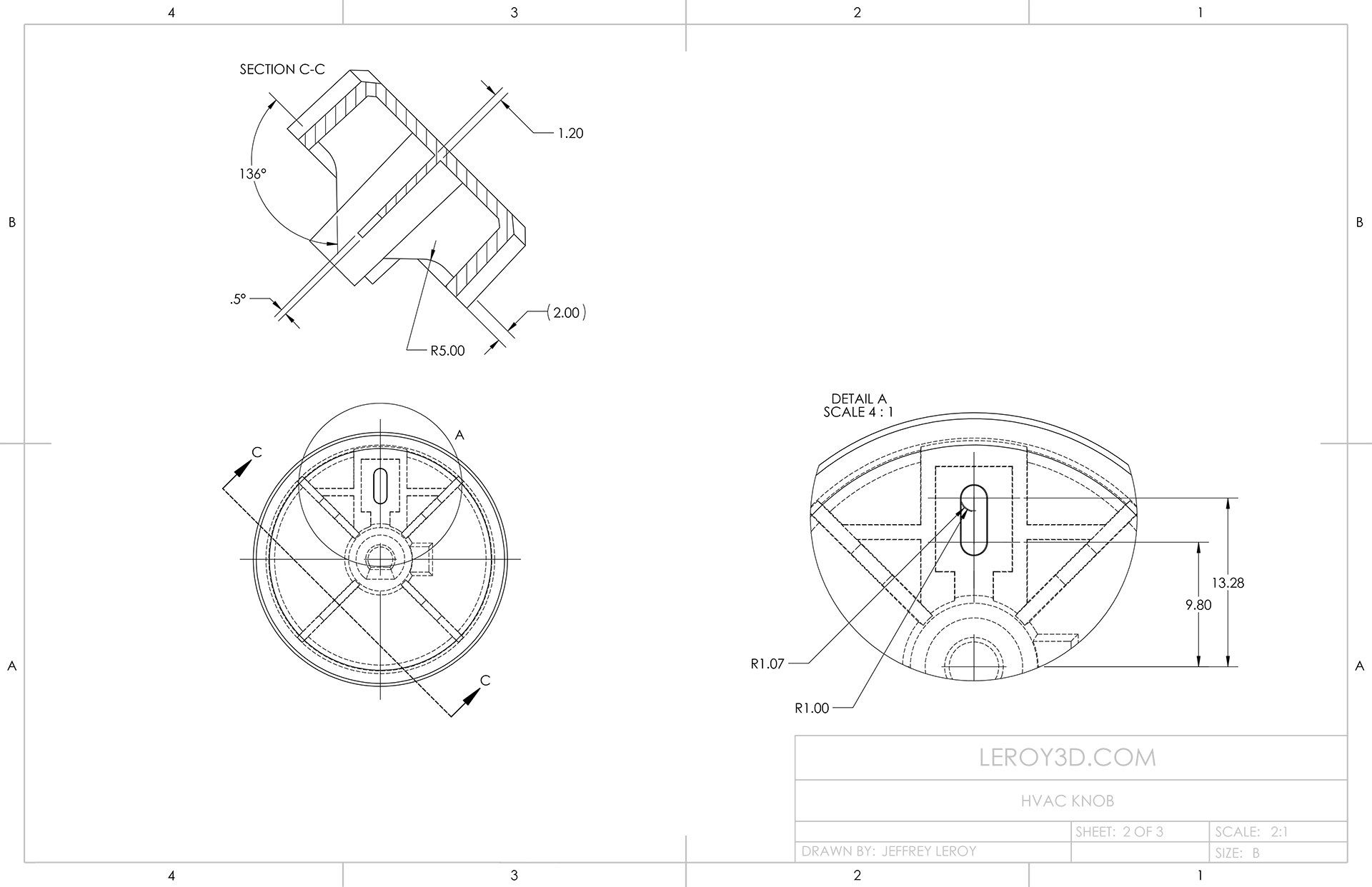
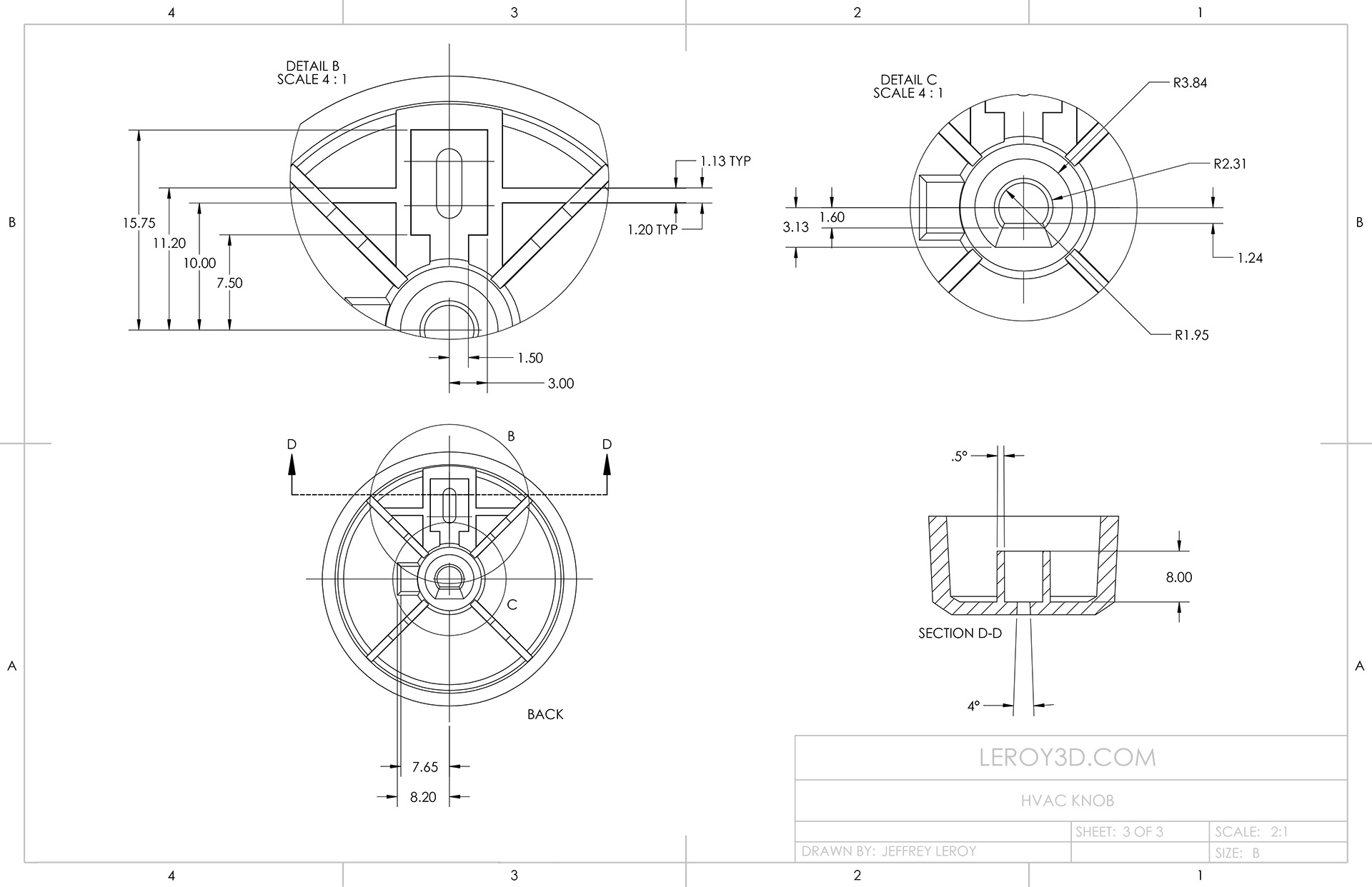
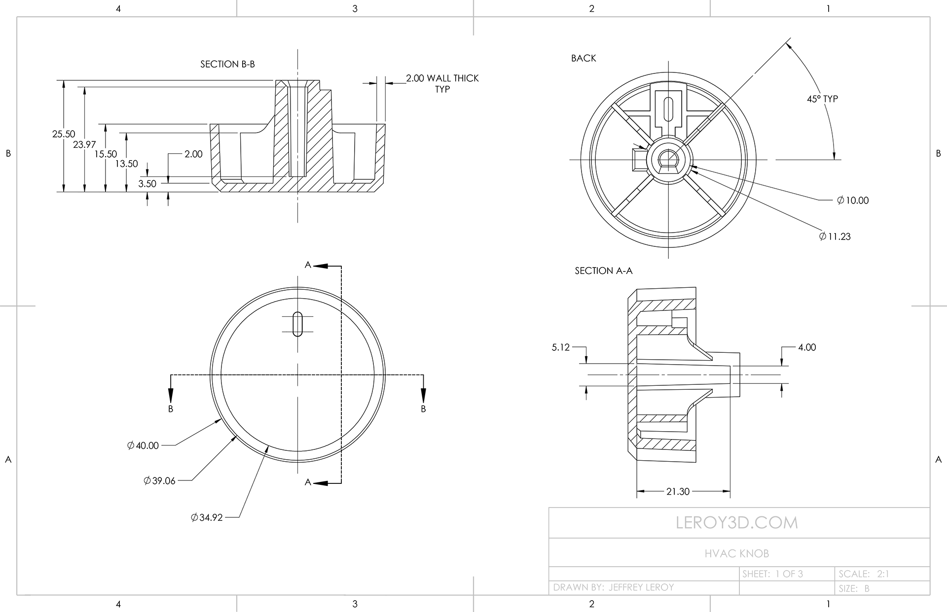
an HVAC Knob designed for injection molding, 2D drawings and 3D model created in Solidworks.
CAD Designer | 3D Artist
an HVAC Knob designed for injection molding, 2D drawings and 3D model created in Solidworks.